首页   |   关于我们  |  企业新闻  |  产品展示  |  销售网络  |  企业荣誉  |  人才招聘  |  在线留言  |  联系我们
    
用户名称: 用户密码: 验证码:
今天是:   
  公司概况  
·企业简介
·互感器荣誉
·公司领导致辞
·互感器销售网络
·企业文化
·联系我们
  产品分类  
电压互感器
电流互感器
零序电流互感器
绝缘件
 
  当前位置: [首页] - [产品展示] - [电压互感器] -JDZX10-10(6)GYE型  
 
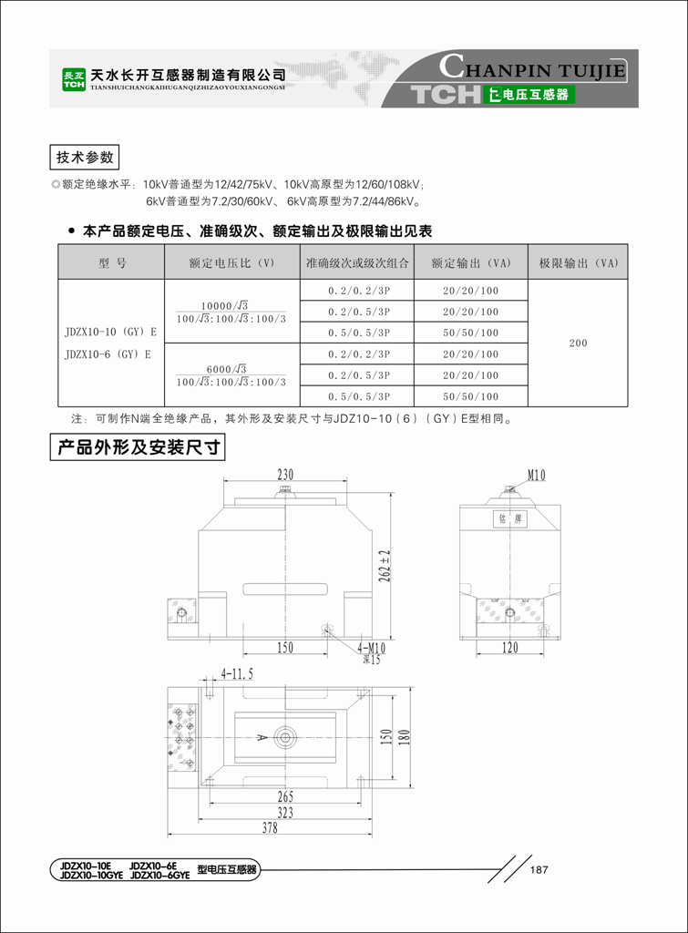
产品名称:JDZX10-10(6)GYE型   [订购该产品]
产品型号:JDZX10-10GYE、JDZX10-6GYE、JDZX10-10E、JDZX10-6E
使用材料:环氧树脂
产品规格:10kV高原型互感器为12/60/108kV,普通型互感器为12/42/75kV;6kV高原型互感器为7.2/44/86kV,普通型互感器为7.2/32/60kV
所属分类:电压互感器
产品图片:
<img border='0' src='UpLoadFile/2016062916113373499.jpg'>
产品简介:

 
 
   

版权所有: © 天水长开互感器制造有限公司 联系人:何经理

电话: 0938-8371256 邮件:tch8382329@163.com http://www.china-tct.com


公司地址:甘肃省天水市秦城区东十里铺

备案序号:陇ICP备16000265号